5噸/天低溫蒸發系統設備廠家批發多少錢,5噸大型低溫蒸發設備由蘇州浦宏環保公司廠家供應,專業的水處理設備供應商!

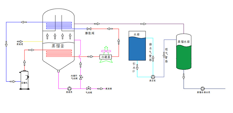
低溫蒸發設備特點:
-只需要電能,靠空調壓縮機提供熱源和熱量,無需外圍熱源和冷卻水.
-節能,每處一噸廢液,只需要120-150度電.
-出水水質好,蒸發溫度28-35度,出水水質是所有蒸發器中最好的,方便后處理,直排或回用.
-設備占地小,流程短,是目前針對小量危廢液最有效的處理辦法.
-系統可全自動運行,人機界面進行監控,帶自動清洗及消泡功能.

低溫蒸發設備前處理說明:
1.含油類液體(浮油點總量5%以上)要裝油水分離機,去除浮油,后處理加膜,去除里面的油花,可獲得質量更高的蒸餾水水質。
2.含有機物或粘性液體需絮凝后蒸發,可以減少維護成本!
3.含鹽類,低濃度液體可以直接蒸發,高鹽類(含固30%)以上,建議用我公司刮板蒸發器,可直接結晶。

低溫蒸發設備濃縮比介紹:
每種廢液的濃縮比不同的,我們通常做法是將100ML的原液稱重后,放入旋轉蒸發器,蒸至無水份,再稱重;減少部分為含為率,濃縮設備通常能蒸發含水率的90%,具體視液體而定!



客服1